Produkte
Info
0
Warenkorb
Mein Konto

Kränzle Kehrmaschine 2+2 Ersatzteilliste Komplettaggregat

Komplettaggregat
Rad und Kehrwalze
Rad rechts
Seitenbesen links
seitenbesen rechts
Teile in der Zeichnung mit Maus markieren und durch Klick in den Warenkorb legen.
Keine Artikelinformationen verfügbar!

Ersatzteilliste Komplettaggregat

Position Bezeichnung Menge Preis
1 Gehäuse 1 77,56 €
2 Schmutzbehälter 1 62,99 €
3 Rechen 1 7,49 €
4 Abdeckung vorn 1 14,30 €
5 Unterlegscheibe 5,3 4 0,54 €
6 Abweisleiste 1 13,99 €
7.1 Kunststoffschraube 5,0*20 4 0,64 €
7 Schraube 5,0*25 2 1,07 €
8 Gummilappen mit Klemmliste 1 6,09 €
9 Schmutzführung 1 19,04 €
10 Schraube 3,5*9,5 28 0,64 €
10.1 Schraube 4,8*13 4 0,54 €
11 Lenkrolle 1 14,61 €
12 Sechskantschraube M10*45 1 1,11 €
13 Scheibe 10,5 DIN 9021 2 0,64 €
14 Scheibe 10,5 DIN 125 1 0,64 €
15 Elastic-Stop-Mutter M10 1 1,00 €
16 Rahmen für Filter 2 11,99 €
17 Halterahmen für Filter 2 3,99 €
18 Filterpapier 2 11,99 €
19 Bügel unten 2 12,30 €
20 Schubbügel 1 34,80 €
21 Kunststoffschraube 6,0*30 6 0,96 €
22 Gelenkschale außen links 1 7,06 €
23 Gelenkschale außen rechts 1 6,45 €
24 Gelenkschale innen(f. Links und rechts) 2 6,39 €
25 Schloßschraube M8*30 2 1,11 €
26 Griff für Schmutzbehälter 1 9,19 €
27 Sterngriff M8 2 4,30 €
28 Gummilappen links mit Klemmleiste 1 3,19 €
29 Gummilappen rechts mit Klemmleiste 1 3,19 €
85 Elastic-Stop-Mutter M8 2 1,00 €
90 Filterkassette komplett 1 11,99 €
Teile in der Zeichnung mit Maus markieren und durch Klick in den Warenkorb legen.
Keine Artikelinformationen verfügbar!

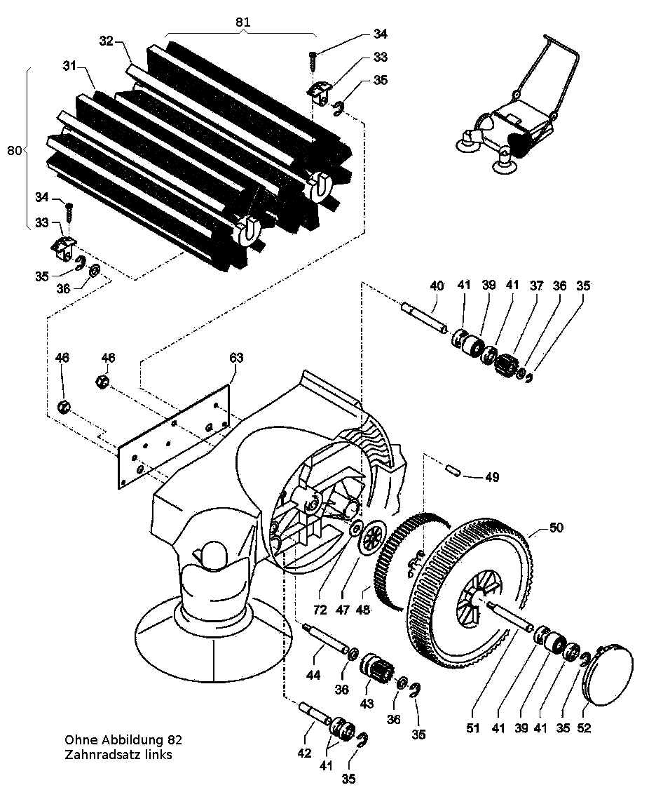
Ersatzteilliste linkes Rad und Kehrwalze

Position Bezeichnung Menge Preis
31 Bürstenwalze vorn 1 33,99 €
32 Bürstenwalze hinten 1 33,99 €
33 Bürstenmitname 2 3,43 €
34 Holzschraube 3,5*17 4 0,64 €
35 Sicherungsscheibe 10 6 1,06 €
36 Scheibe 13 DIN 433 4 1,07 €
37 Zahnrad z=14 1 6,99 €
39 Abstandshülse 20,5mm 2 10,27 €
40 Mitnahmebolzen (links hinten) 1 7,06 €
41 Rillenkugellager 12/28/8 6 6,99 €
42 Loslagerbolzen (links unten) 1 6,99 €
43 Zahnrad z=14 mit Keil (lang) 1 6,99 €
44 Bolzen für Seitenbesenatr. (links oben) 1 6,69 €
46 Elastic-Stop-Mutter M8*1 2 2,89 €
47 Scheibe 1 1,50 €
48 Zahnrad z=79 1 12,69 €
49 Mitnahme 6 0,63 €
50 Rad mit Lagerung 1 35,99 €
51 Achse 1 6,69 €
52 Radkappe 1 3,43 €
63 Stahlversteifung 1 6,10 €
72 MS-Scheibe 12*24*4 1 4,82 €
80 Bürstenwalze vorn komplett 1 41,99 €
81 Bürstenwalze hinten komplett 1 41,99 €
82 Zahnradsatz links 1 44,99 €
Teile in der Zeichnung mit Maus markieren und durch Klick in den Warenkorb legen.
Keine Artikelinformationen verfügbar!

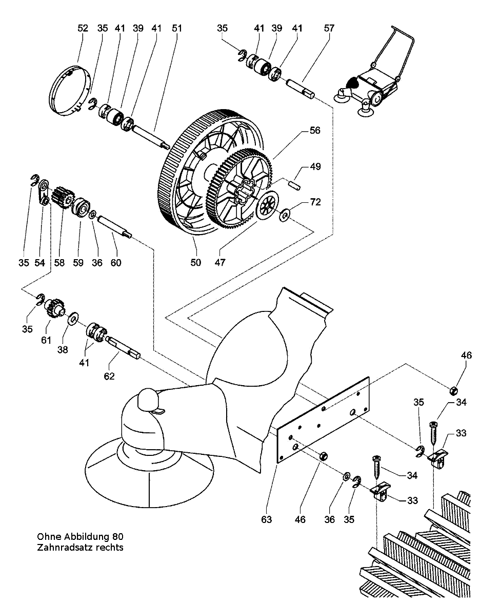
Ersatzteilliste rechtes Rad

Position Bezeichnung Menge Preis
33 Bürstenmitname 2 3,43 €
34 Holzschraube 3,5*17 4 0,64 €
35 Sicherungsscheibe 10 6 1,06 €
36 Scheibe 13 DIN 433 2 1,07 €
38 MS-Scheibe 12*24*2,5 1 3,43 €
39 Abstandshülse 20,5mm 3 10,27 €
41 Rillenkugellager 12/28/8 6 6,99 €
46 Elastic-Stop-Mutter M8*1 2 2,89 €
47 Scheibe 1 1,50 €
49 Mitnahme 6 0,63 €
50 Rad mit Lagerung 1 35,99 €
51 Achse 1 6,69 €
52 Radkappe 1 3,43 €
54 Gegenlagerung Zahnradgetriebe 1 6,63 €
56 Zahnrad rechts z=79 1 12,99 €
57 Loslagerbolzen (rechts hinten) 1 7,06 €
58 Doppelzahnrad 1 7,09 €
59 Aufsteckriemenscheibe 1 4,07 €
60 Bolzen für Seitenriemenantr. (rechts oben) 1 6,39 €
61 Zahnrad z=16 1 6,35 €
62 Mitnahmebolzen (rechts unten) 1 7,06 €
63 Stahlversteifung 1 6,10 €
72 MS-Scheibe 12*24*4 1 4,82 €
80 Zahnradsatz rechts 1 46,99 €
Teile in der Zeichnung mit Maus markieren und durch Klick in den Warenkorb legen.
Keine Artikelinformationen verfügbar!

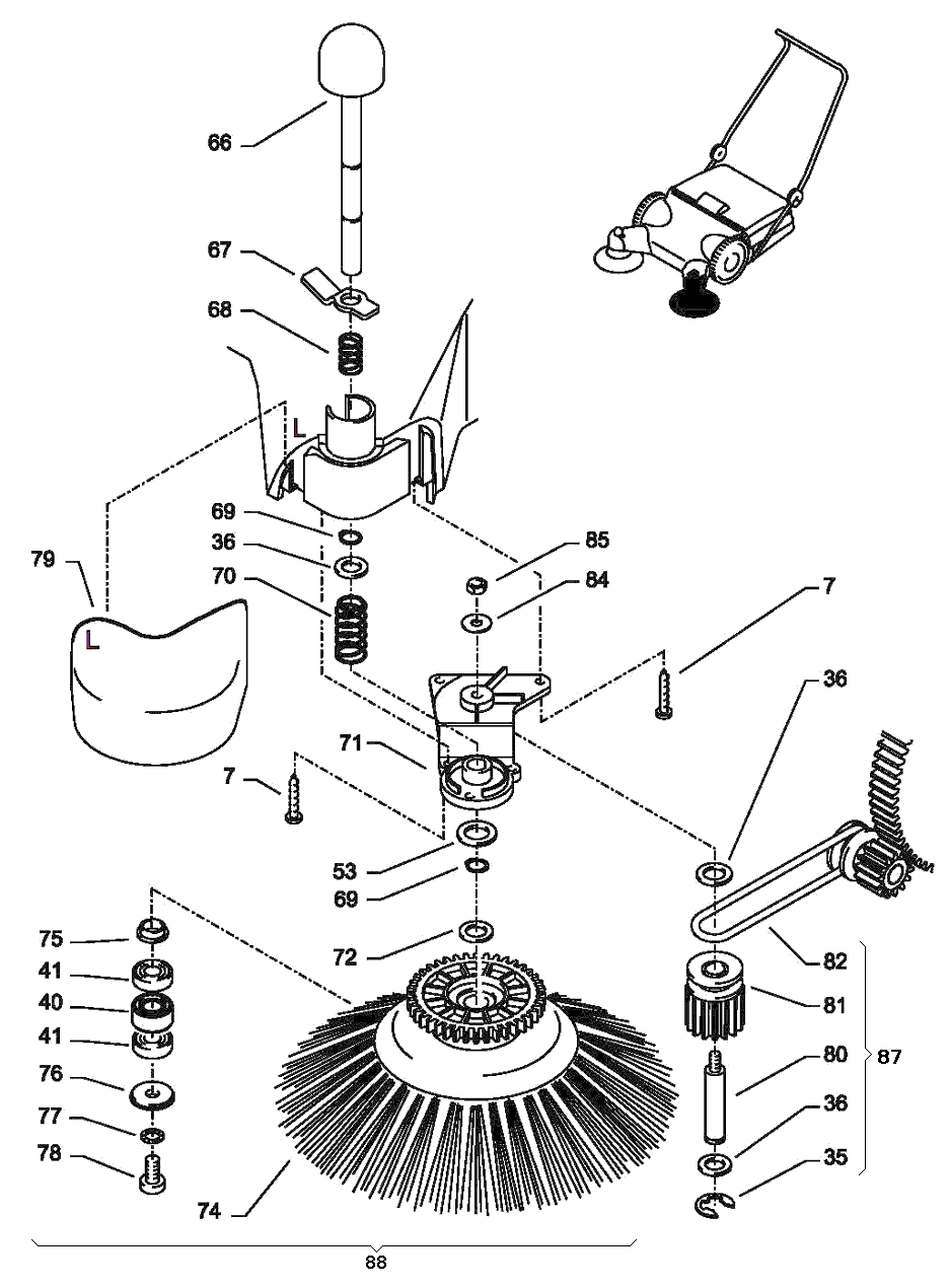
Ersatzteilliste Seitenbesen links

Teile in der Zeichnung mit Maus markieren und durch Klick in den Warenkorb legen.
Keine Artikelinformationen verfügbar!

Ersatzteilliste Seitenbesen rechts

Position Bezeichnung Menge Preis
7 Schraube 5,0*25 5 1,07 €
35 Sicherungsscheibe 10 6 1,06 €
36 Scheibe 13 DIN 433 6 1,07 €
40 Abstandshülse 14,5mm 1 10,27 €
41 Rillenkugellager12/28/8 2 6,99 €
53 MS-Scheibe 12*24*4 3 3,43 €
66 Rastknopf 1 12,99 €
67 Fußraster 1 4,07 €
68 Druckfeder (klein) 1 1,48 €
69 Sicherungsring 12DIN 471 2 0,64 €
70 Rückstellfeder (groß) 1 2,89 €
72 MS-Scheibe 12*24*4 1 4,82 €
74 Seitenbesen 1 36,99 €
75 Büchse 1 4,59 €
76 Unterlegscheibe für Seitenbesen 1 0,64 €
77 Sicherungsring 8,4 1 1,07 €
78 Schraube M8*16 1 1,07 €
80 Bolzen für Antriebszahnrad 1 4,99 €
81 Zahnrad z=14 mit Keil (kurz) 1 7,81 €
82 Rundriemen 1 7,80 €
84 Scheibe 6,4 1 0,64 €
85 Elastic-Stop-Mutter M6 1 2,89 €
91 Deckel für Seitenbesen 1 7,81 €
92 Kunststoffabdeckung rechts 1 7,81 €
94 Seitenbesenantrieb komplett 1 24,40 €
95 Seitenbesen komplett 1 36,99 €
© 1998 - 2025 Hytec-Hydraulik OHG. Alle Rechte vorbehalten. Alle Preise beinhalten, wenn nicht anders beschrieben, die gesetzliche MwSt. zzgl. Versandkosten.
Shop powered by Hyreka GmbH.
nach oben