Produkte
Info
0
Warenkorb
Mein Konto

Zahnradpumpen mit Bosch-Flansch, Plessey-Flansch & Zubehör

 Zahnradpumpe, deutscher Bosch-Flansch
Zahnradpumpe, italienischer Plessey-Flansch
Pumpenträger
Pumpenträger
Dämpfungsring
Rotex-Kupplung
Ersatz-Zahnkranz (Kupplungsstern)
Dichtung
Vorsatzlager
Kupplungshülse
  • Pfeil links
  • Pfeil rechts
Zahnradpumpe, deutscher „Bosch“-Flansch
Zahnradpumpe, deutscher „Bosch“-Flansch

Zahnradpumpe, deutscher „Bosch“-Flansch

Ölanschluss über 4-Loch-Flansch, Typ BFW und BFG. Der Antrieb soll über eine elastische Kupplung erfolgen. Es dürfen keine radialen oder axialen Kräfte auf die Pumpenwelle übertragen werden.

Zul. Druck im Sauganschluss:

Min. 0,7 bar (absolut), max. 3 bar
Beachten Sie bitte unsere Hinweise zur Berechnung der Fördermenge und Leistungsaufnahme.

Berechnung der Pumpengrößen

Fördermenge (l/min)
=
Fördervolumen (cm³/U) * Antriebsdrehzahl (U/min)
1060
Leistungsbedarf (kW)
=
Druck (bar) * Fördermenge (l/min)
510
Seitenansicht Zahnradpumpe, deutscher „Bosch“-Flansch
vergrößern Seitenansicht Zahnradpumpe, deutscher „Bosch“-Flansch
Draufsicht schräg Zahnradpumpe, deutscher „Bosch“-Flansch
vergrößern Draufsicht schräg Zahnradpumpe, deutscher „Bosch“-Flansch
Vorderansicht Zahnradpumpe, deutscher „Bosch“-Flansch
vergrößern Vorderansicht Zahnradpumpe, deutscher „Bosch“-Flansch
Vorderansicht - Technische Zeichnung
vergrößern Vorderansicht - Technische Zeichnung
Seitenansicht - Technische Zeichnung
vergrößern Seitenansicht - Technische Zeichnung
Datenblatt Zahnradpumpen
Datenblatt Zahnradpumpen
Menge
Drehrichtung
Filter
Hinweis
Förder- volumen cm³/U
Filter
Drehzahl maximal
U/min
Filter
Dauerdruck maximal bar
Filter
Fördermenge maximal
l/min
Filter
Druck LK
Filter
Saug LK
Filter
Artikel-Nr.
Preis
 
4 3500 250 13,2 35 – M6 40 – M6
269,23 €
6 3500 250 18,1 35 – M6 40 – M6
282,65 €
8 3500 250 26,4 35 – M6 40 – M6
295,17 €
11 3000 250 31,1 35 – M6 40 – M6
306,80 €
14 2500 250 33,0 35 – M6 40 – M6
319,10 €
17 2000 250 30,2 35 – M6 40 – M6
331,84 €
20 2000 210 35,8 35 – M6 40 – M6
348,84 €
23 2000 180 42,5 35 – M6 40 – M6
375,67 €
Bitte warten... OK
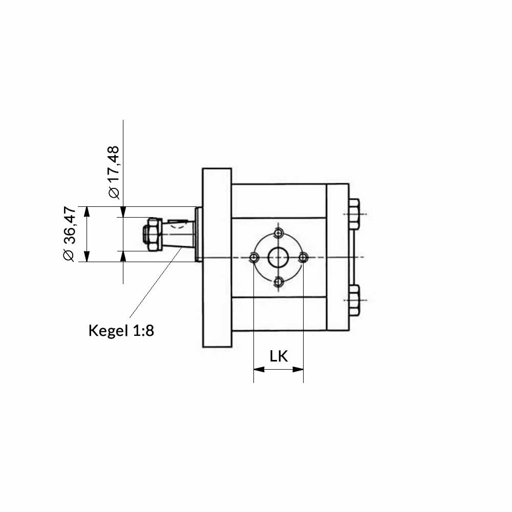
 Zahnradpumpe (italienischer „Plessey“-Flansch), Baugröße 2
Zahnradpumpe (italienischer „Plessey“-Flansch), Baugröße 2

Zahnradpumpe (italienischer „Plessey“-Flansch), Baugröße 2

Ölanschluss über 4-Loch-Flansch, Typ WDS und F

Zul. Druck im Sauganschluss:

min. 0,7 bar (absolut), max. 3 bar
Der Antrieb soll über eine elastische Kupplung erfolgen. Es dürfen keine radialen oder axialen Kräfte auf die Pumpenwelle übertragen werden.
Draufsicht schräg Zahnradpumpe (italienischer „Plessey“-Flansch)
vergrößern Draufsicht schräg Zahnradpumpe (italienischer „Plessey“-Flansch)
Vorderansicht Zahnradpumpe (italienischer „Plessey“-Flansch)
vergrößern Vorderansicht Zahnradpumpe (italienischer „Plessey“-Flansch)
Vorderansicht - Technische Zeichnung
vergrößern Vorderansicht - Technische Zeichnung
Seitenansicht - Technische Zeichnung
vergrößern Seitenansicht - Technische Zeichnung
Menge
Drehrichtung
Filter
Hinweis
Fördervolumen cm³/U
Filter
Drehzahl maximal
U/min
Filter
Dauerdruck maximal bar
Filter
Fördermenge maximal
l/min
Filter
Druck LK
Filter
Saug LK
Filter
Artikel-Nr.
Preis
 
4 3500 250 13,2 30 – M6 30 – M6
236,93 €
6 3500 250 19,8 30 – M6 30 – M6
236,93 €
8 3500 250 26,4 30 – M6 30 – M6
236,93 €
11 3000 250 31,1 30 – M6 40 – M8
236,93 €
14 2500 250 33,0 30 – M6 40 – M8
255,70 €
17 2000 250 32,1 30 – M6 40 – M8
255,70 €
20 2000 210 35,8 30 – M6 40 – M8
291,97 €
23 2000 180 41,5 30 – M6 40 – M8
291,97 €
26 2000 160 47,2 30 – M6 40 – M8
291,97 €
Bitte warten... OK
Pumpenträger 80 mm
Pumpenträger 80 mm

Pumpenträger

- zum Verbinden von Zahnradpumpen mit Drehstrommotoren
Pumpenträger 36,47 mm
vergrößern Pumpenträger 36,47 mm
80mm Detailzeichnungen
80mm Detailzeichnungen
Menge
passend für Motor
1500 U/min
Filter
Flansch-Ø
F mm
Filter
Lochkreis
LK mm
Filter
Einpass-Durchmesser
Pumpenseite
Filter
Lochbild
Filter
Artikel-Nr.
Preis
 
0,25 – 0,37 kW16013080 mm72x100 mmKT-PK160/04/0266,18 €Mehr Informationen
0,55 – 1,5 kW20016580 mm72x100 mmKT-PL200/02/0446,77 €Mehr Informationen
2,2 – 4,0 kW25021580 mm72x100 mmKT-PL250/01/0465,20 €Mehr Informationen
5,5 – 7,5 kW30026580 mm72x100 mmKT-PL300/01/0888,85 €Mehr Informationen
11,0 – 15,0 kW35030080 mm72x100 mmKT-PK350/04/59153,37 €Mehr Informationen
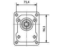
0,25 – 0,37 kW16013036,47 mm71,4x96 mmKT-PK160/04/0351,18 €Mehr Informationen
0,55 – 1,5 kW20016536,47 mm71,4x96 mmKT-PL200/02/0355,01 €
2,2 – 4,0 kW25021536,47 mm71,4x96 mmKT-PL250/01/0391,40 €
5,5 – 7,5 kW30026536,47 mm71,4x96 mmKT-PL300/01/02123,68 €
11,0 – 15,0 kW35030036,47 mm71,4x96 mmKT-PK350/01/05184,67 €
Bitte warten... OK
Dämpfungsring
Dämpfungsring

Dämpfungsring

Menge
für E-Motor
Filter
Artikel-Nr.
Preis
 
080 / 090S/LKT-DT200262,45 €
100L / 112MKT-DT250278,88 €
132S / 132MKT-DT300321,60 €
160M/L und 180M/LKT-DT350533,12 €
Bitte warten... OK
Rotexkupplung
Rotexkupplung

Rotexkupplung

- zum Verbinden der Pumpen- und der Motorwelle
- dämpft Schwingungen
- 3-teilige Kupplung

Werkstoffe:

Kupplungshälften: Aluminium (ab 11 kW Stahl)
Zahnkranz: Polyurethan
Details Rotexkupplung
vergrößern Details Rotexkupplung
Menge
passend für Motor
1500 U/min
Filter
Bohrung in der
Motornabe mm
Filter
Bohrung in der
Pumpennabe mm
Filter
Artikel-Nr.
Preis
 
0,25 – 0,37 kW1417 mm – 1:5KT-R24/28.14-B-17L-ALU76,16 €
0,55 – 0,75 kW1917 mm – 1:5KT-R24/28.19-B-17L-ALU43,77 €
1,1 – 1,5 kW2417 mm – 1:5KT-R24/28.24-B-17-ALU35,90 €
2,2 – 4,0 kW2817 mm – 1:5KT-R24/28.28-B-17-ALU35,90 €
5,5 – 7,5 kW3817 mm – 1:5KT-R28/38.38-B-17-ALU45,49 €
11,0 – 15,0 kW4217 mm – 1:5KT-R38/45.42-B-17L-ST132,65 €
0,25 – 0,37 kW1417,46 mm – 1:8KT-R24/28.14-N/2A-ALU44,14 €
0,55 – 0,75 kW1917,46 mm – 1:8KT-R24/28.19-N/2A-ALU43,77 €
1,1 – 1,5 kW2417,46 mm – 1:8KT-R24/28.24-N/2A-ALU37,33 €
2,2 – 4,0 kW2817,46 mm – 1:8KT-R24/28.28-N/2A-ALU48,21 €
5,5 – 7,5 kW3817,46 mm – 1:8KT-R28/38.38-N/2A-ALU47,31 €
11,0 – 15,0 kW4217,46 mm – 1:8KT-R38/45.42-N/2A-ST143,28 €
Bitte warten... OK
Ersatz-Zahnkranz (Kupplungsstern)
Ersatz-Zahnkranz (Kupplungsstern)

Ersatz-Zahnkranz (Kupplungsstern)

Werkstoff:

Polyurethan 92 Shore A
Menge
passend für Motor
Kupplungsgröße
Filter
D
[mm]
Filter
Artikel-Nr.
Preis
 
R19 und R19/2440KT-R19-ZK5,10 €
R24 und R24/2855KT-R24-ZK5,80 €
R28 und R28/3865KT-R28-ZK4,75 €
R38 und R38/4580KT-R38-ZK13,71 €
R42 und R42/5595KT-R42-ZK19,64 €
Bitte warten... OK
Dichtung
Dichtung

Dichtung

- wird zwischen Pumpenträger und Tankdeckel eingesetzt

Werkstoff:

NBR
Menge
passend für Motor
1500 U/min
Filter
Flansch-Ø
F mm
Filter
Lochkreis
LK mm
Filter
Artikel-Nr.
Preis
 
0,25 – 0,37 kW160130KT-DP1605,53 €Mehr Informationen
0,55 – 1,5 kW200165KT-DP2002,74 €Mehr Informationen
2,2 – 4,0 kW250215KT-DP2504,01 €Mehr Informationen
5,5 – 7,5 kW300265KT-DP3004,71 €Mehr Informationen
11,0 – 15,0 kW350300KT-DP35015,41 €Mehr Informationen
Bitte warten... OK
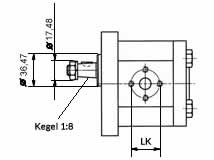
Vorsatzlager
Vorsatzlager

Vorsatzlager

Beim direkten Antrieb der Pumpen über Keilriemen, Zahnrad oder Kette ist der Einsatz eines Vorsatzlagers zur Aufnahme der Querkräfte erforderlich! Es wird direkt mit der Pumpe verbunden, der Antrieb erfolgt über eine verzahnte Kupplungshülse.

Ausgangswelle:

kegelig Ø 17,46 – 1/8

Zentrierflansch:

Ø 50,8

Schmierung:

Schmierfett nach DIN 51502

Lieferumfang:

Vorsatzlager, Zahn-Kupplungshülse, Flanschdichtung
Vorderansicht Vorsatzlager
vergrößern Vorderansicht Vorsatzlager
Menge
Artikel-Nr.
Preis
 
PU-ITA-Vorsatzlager211,46 €Mehr Informationen
Bitte warten... OK
Flachdichtung für Zahnradpumpen
Flachdichtung für Zahnradpumpen

Flachdichtung für Zahnradpumpen

Menge
für Pumpen
Filter
D mm
Filter
LxB mm
Filter
Artikel-Nr.
Preis
 
ital. Bauart Baugröße 236,5114x89PU-ITA-FLD24,38 €
Bitte warten... OK
© 1998 - 2025 Hytec-Hydraulik OHG. Alle Rechte vorbehalten. Alle Preise beinhalten, wenn nicht anders beschrieben, die gesetzliche MwSt. zzgl. Versandkosten.
Shop powered by Hyreka GmbH.
nach oben