Produkte
Info
0
Warenkorb
Mein Konto

Kränzle HD10/122 Ersatzteilliste Interaktiv

Komplettaggregat
Motor
Getriebe
Ventilgehäuse
Lanzen
Schmutzkiller

Passende Ersatzteile

Hochdruckschlauch NW6, 10meter
bds. M22x1,5, schwarz
Hochdruckreiniger-Pistole M2000
Schmutzkiller mit 500mm-Lanze Düse=042
Farbcode=Gelb
Reparatursatz
für `M2000`
Teile in der Zeichnung mit Maus markieren und durch Klick in den Warenkorb legen.
Keine Artikelinformationen verfügbar!

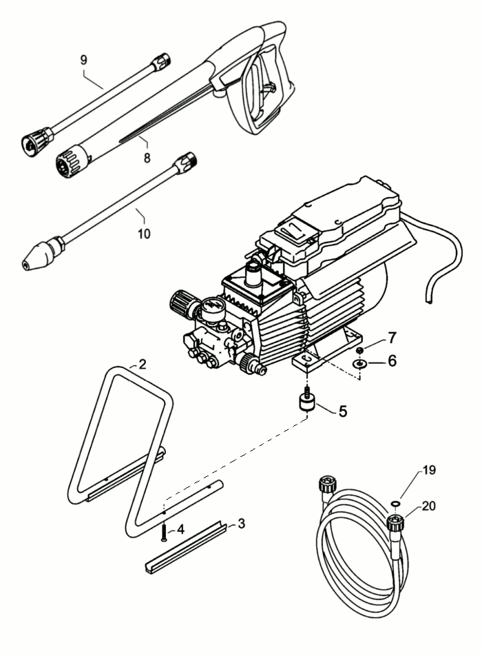
Ersatzteilliste Komplettaggregat

Position Bezeichnung Menge Preis
2 Tragbügel 1 52,99 €
3 Gummiprofilleiste 2 6,99 €
4 Senkschraube M6x20 1 0,96 €
5 Gummipuffer 30 x 20 4 6,50 €
6 Scheibe 8,4 4 1,11 €
7 Mutter DIN985 M8 4 1,00 €
8 M2000.Pistole komplett 1 78,80 €
9 Lanze komplett mit HD-Düse 042 1 30,90 €
10 Schmutzkiller 042 kpl. mit Lanze 1 71,99 €
19 O-Ring 9,3 x 2,4 2 1,14 €
20 HD-Schlauch NW 6 10 m 210 bar 1 64,89 €
Teile in der Zeichnung mit Maus markieren und durch Klick in den Warenkorb legen.
Keine Artikelinformationen verfügbar!

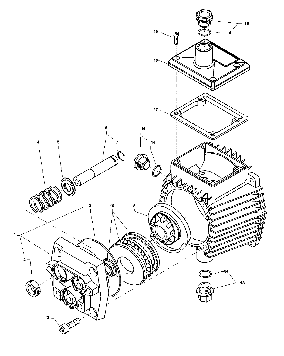
Ersatzteilliste Motor

Position Bezeichnung Menge Preis
1 Ölgehäuse mit Dichtung, Deckel, Öldichtung, Schulterlager 1 92,99 €
2 Stator 1 215,99 €
3 Motorwelle mit Rotor 1 106,23 €
4 Passfeder 6 x 6 x 20 1 4,02 €
5 Motor-Lager B-Seite Z-Lager 1 14,60 €
6 Motor-Lager A-Seite Schulterlager 1 35,99 €
7 Schelle für Lüfterrad 1 3,25 €
8 Öldichtung 25 x 35 x 7 1 6,79 €
9 Lüfterrad 1 19,06 €
10 Lüfterhaube 1 31,40 €
11 Flachdichtung 1 5,99 €
12 Lüsterklemme 3-pol. 1 3,08 €
13 Schaltkasten 1 13,99 €
14 Schalter 12 A 1 29,80 €
15 Klemmrahmen mit Schalterabdichtung 1 4,06 €
16 Kabelverschraubung PG 11 mit Knicks. 1 17,75 €
17 Gegenmutter PG 11 1 1,00 €
18 Kondensator 40µF 1 36,79 €
19 Netzkabel für 230V / 50/60Hz 1 26,99 €
20 Blechschraube 3,5 x 9,5 2 0,64 €
21 Blechschraube 2,9 x 16 1 0,64 €
22 Innensechskantschr. M 5 x 12 4 0,80 €
23 Innensechskantschr. M 5 x 30 4 2,89 €
24 Erdungsschraube kpl. 1 1,29 €
25 Deckel für Schaltkasten 1 11,98 €
26 Dichtung für Deckel 1 7,25 €
27 Kunststoffschraube 5,0 x 20 4 0,64 €
28 Blechschraube 3,9 x 9,5 3 0,64 €
40 Motor komplett 1 508,37 €
41 Schaltkasten komplett 1 90,82 €
Teile in der Zeichnung mit Maus markieren und durch Klick in den Warenkorb legen.
Keine Artikelinformationen verfügbar!

Ersatzteilliste Getriebe

Position Bezeichnung Menge Preis
1 Gehäuseplatte 1 85,99 €
2 Öldichtung 14 x 24 x 7 3 6,15 €
3 O-Ring 83 x 2 1 2,36 €
4 Plungerfeder 3 4,71 €
5 Federdruckscheibe 14 mm 3 1,49 €
6 Plunger 14 mm AZ-L 3 25,99 €
7 Sprengring 14 mm 3 0,96 €
8 Taumelscheibe 9,5° 1 39,50 €
10 Axial-Rillenkugellager 3-teilig 1 49,95 €
12 Innensechskantschraube M 8 x 25 4 1,39 €
13 Ölablassstopfen M18x1,5 mit Magnet 1 7,81 €
14 O-Ring 12 x 2 3 0,95 €
15 Ölschauglas 1 5,10 €
16 Ölverschlussschraube rot 1 5,99 €
17 Dichtung Öldeckel 1 4,07 €
18 Deckel Ölgehäuse 1 10,27 €
19 Innensechskantschraube M 5 x 12 4 0,54 €
Teile in der Zeichnung mit Maus markieren und durch Klick in den Warenkorb legen.
Keine Artikelinformationen verfügbar!

Ersatzteilliste Ventilgehäuse

Position Bezeichnung Menge Preis
1 Ventilgehäuse 1 130,84 €
2 Ventilstopfen 5 4,07 €
3 Ventilstopfen mit R1/4 IG " 1 4,89 €
4 Ventile (rot) 6 4,49 €
5 Dichtstopfen M 8 x 1 1 2,36 €
6 Dichtstopfen M 10 x 1 1 2,46 €
7 O-Ring 12 x 2 14 0,95 €
8 O-Ring 11 x 1,5 2 2,35 €
9 Edelstahlsitz 2 3,42 €
10 Sicherungsring 2 1,06 €
11 Anlaufentlastungsventil 1 17,54 €
11.1 Edelstahlkugel 10,0 mm 1 3,10 €
12 Edelstahlfeder 1 0,54 €
13 Verschlussschraube 1 3,19 €
14 Steuerkolben 6 mm für AZ mit Dichtungen 1 16,40 €
15 Parbaks für Kolben 14 mm 1 3,89 €
16 Parbaks für Spindel 6 mm 1 4,05 €
17 MS-Scheibe 1 1,55 €
18 Kolbenführung 6 mm 1 7,27 €
19 Mutter M 6 2 0,54 €
20 Feder schwarz für AZ-Pumpe 1 5,45 €
21 Federdruckscheibe 1 2,78 €
22 Kugellager 1 3,75 €
23 Handrad M 6 für AZ-Pumpe 1 5,45 €
24 Mutter M 6 mit SW 8 1 1,00 €
25 Kappe für Handrad AZ-Pumpe 1 1,39 €
26 Manometer 1 38,99 €
27 Stützring 3 0,96 €
28 Manschette 14 x 24 x 5/2,5 3 4,71 €
28.1 Gewebe-Manschette 14 x 24 x 5/2,5 3 6,45 €
29 Backring 14 x 24 6 3,10 €
30 O-Ring 24 x 2 3 1,07 €
31 Leckagering 3 7,99 €
33 Zwischenring mit Abstützung 3 2,78 €
34 Rückschlagfeder 1 1,29 €
35 Ausgangsteil für Kugelrückschlagv. 1 11,80 €
36 Verschlusstopfen 1 3,70 €
37 Aluminium-Dichtring 2 0,35 €
42 Innensechskantschr. M 8 x 25 - A2 2 1,39 €
43 Innensechskantschr. M 8 x 45 - A2 2 2,36 €
44 Dichtring Kupfer 1 0,64 €
45 Sauganschluss 1 8,77 €
46 Wasserfilter 1 1,81 €
48 Gummi Dichtring 1 2,89 €
49 Steckkupplung 1 3,05 €
50 O-Ring 1 6,41 €
52 O-Ring 18 x 2 1 1,02 €
60 Rep.-Satz Ventile (rot) 1 29,10 €
61 Reparatur-Satz Manschetten 1 63,99 €
70 Steuerkolben komplett mit Handrad 1 45,75 €
73 Ventilgehäuse komplett 1 249,99 €
Teile in der Zeichnung mit Maus markieren und durch Klick in den Warenkorb legen.
Keine Artikelinformationen verfügbar!

Ersatzteilliste Pistole und Lanzen

Position Bezeichnung Menge Preis
1 Pistolenschale re+li 1 15,70 €
2 Schraube 3,5 x 14 10 0,54 €
3 Reparatursatz M2000 1 25,99 €
18 O-Ring 9,3 x 2,4 1 1,14 €
51 Düsenschutz M12x1 1 4,60 €
52 Rohr 500 mm; bds. M12x1 1 16,50 €
53 ST 30 Nippel M 22 x 1,5 / R1/4 m. ISK" 1 4,50 €
54 Flachstrahldüse 042 1 8,34 €
55 Aluminium-Dichtring 2 0,35 €
Teile in der Zeichnung mit Maus markieren und durch Klick in den Warenkorb legen.
Keine Artikelinformationen verfügbar!

Ersatzteilliste Schmutzkiller

Position Bezeichnung Menge Preis
1 Spühkörper 1 52,96 €
2 O-Ring 6 1 1,39 €
3 Düsensitz 1 11,75 €
4 Düse 042 1 37,65 €
5 Stabilisator 1 1,50 €
6 O-Ring 1 1,82 €
7 Sprühstopfen 1 12,41 €
8 Rohr 400 mm 2x M 12 x 1 1 18,29 €
9 ST 30-Nippel M 22 x 1,5 1 4,50 €
10 Rep.Satz Schmutzkiller 042 1 45,99 €
11 Kappe vorn für Schmutzkiller 1 8,77 €
12 Kappe hinten für Schmutzkiller 042 1 4,50 €
100 Schmutzkiller 042 kpl. Mit Lanze 1 72,99 €
© 1998 - 2025 Hytec-Hydraulik OHG. Alle Rechte vorbehalten. Alle Preise beinhalten, wenn nicht anders beschrieben, die gesetzliche MwSt. zzgl. Versandkosten.
Shop powered by Hyreka GmbH.
nach oben