| Anmelden |
| Im Shop registrieren |
| Meine Bestellungen |
| Schnellbestellformular |
| Warenkorb als Angebot |
| Meine Einkaufslisten |
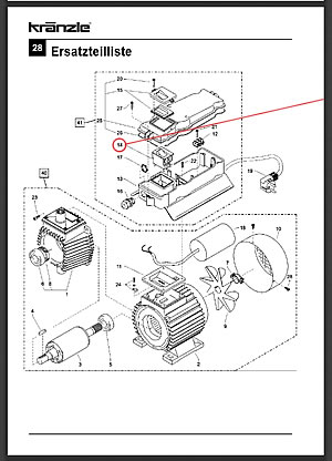
Wenn Sie ihr Kränzle Gerät selber warten oder reparieren möchten verwenden Sie idealerweise original Ersatzteile.
Original Ersatzteile garantieren Ihnen eine einwandfreie Funktion und Passgenauigkeit in bewährter Kränzle Qualität. Wenn Sie
das besagte Teil an ihrem Gerät ausfindig gemacht haben, benötigen Sie nur noch die Kränzle Ersatzteil-Nr., um in unserem Shop
zu bestellen. Sie können die Ersatzteil-Nr. in der Shop-Suche oder in unserer Ersatzteile-Suche eingeben.
Die Kränzle Ersatzteil-Nr. finden Sie im Datenblatt ihres Gerätes. Im hinteren Bereich des Datenblatts oder der Betriebsanleitung
finden Sie Explosionszeichnungen, die das Gerät in seinen Einzelteilen darstellen. Jedes Teil der Zeichnung ist mit einer Nummer
versehen (rot).

Mit dieser Nummer finden Sie auf der nächsten Seite im Datenblatt eine Liste mit der genauen Teile-Bezeichnung und der Bestell-Nr. (blau)
Mit dieser Bestell-Nr. können Sie das Ersatzteil bestellen. Wenn möglich verzichten Sie bei der Eingabe auf Leerzeichen und Punkte.
